Кутики КМ Ш-Г
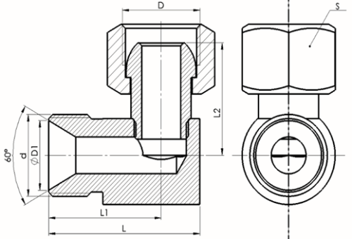
Завантажити в PDFКутик з поворотною гайкою тип КМ (60° Штуцер - гайка)
Адаптер типу AGR
| НАЙМЕНУВАННЯ | РОЗМІРИ | МАСА | |||||
| S | d | D | L | L1 | L2 | ||
| мм. | мм. | мм. | мм. | мм. | мм. | кг. | |
| КМ М14х1,5/DKM S17 | 17 | М14х1,5 | M14x1,5 | 29 | 22 | 25,5 | 0,076 |
| КМ М16х1,5/DKM S19 | 19 | М16х1,5 | M16x1,5 | 32 | 22 | 27 | 0,077 |
| КМ М18х1,5/DKM S22 | 22 | М18х1,5 | M18x1,5 | 32 | 22 | 29 | 0,103 |
| КМ М20х1,5/DKM S22 | 22 | М20х1,5 | M18x1,5 | 39 | 29 | 30,5 | 0,141 |
| КМ М20х1,5/DKM S24 | 24 | M20x1,5 | M20x1,5 | 39 | 29 | 29 | 0,140 |
| КМ М22х1,5/DKM S27 | 27 | M22x1,5 | M22x1,5 | 43 | 33 | 29 | 0,173 |
| КМ М24х1,5/DKM S30 | 30 | M24x1,5 | M24x1,5 | 46 | 33 | 33 | 0,242 |
| КМ М27х1,5/DKM S32 | 32 | M27x1,5 | M27x1,5 | 42 | 29,5 | 43,5 | 0,260 |
Ви переглядали
Є питання?
Зв’яжіться з нами за вказаними контактами!