Зворотній клапан з корпусом HCV+MFF

Завантажити в PDF
Зворотній клапан з корпусом HCV+MFF
Зворотній клапан з корпусом HCV+MFF
Зворотній клапан з корпусом HCV+MFF
Зворотній клапан з корпусом HCV+MFF
Замовити консультацію
Додати до обраного
  • Назва
    Характеристики
  • Максимальний робочий тиск
    350 bar
  • Максимальна витрата:
    від 20 л/хв. до 80 л/хв.
  • Внутрішній витік
    макс. 0,10 см3/хв при 350 бар
  • Температура
    від -30°C до 110°C
  • Рідини
    на мінеральній основі або синтетичні зі змащувальними властивостями при в'язкості від 7,4 до 420 сСт
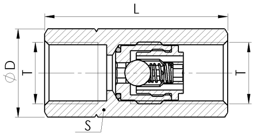
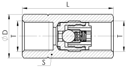
Технічні характеристики
Адаптер типу AGR
НАЙМЕНУВАННЯ T S L D Маса, кг.
HCV14+MFF G1/4"-19 19 54 22 0,121
HCV38+MFF G3/8"-19 24 58 28 0,179
HCV12+MFF G1/2"-14 27 62 30 0,235
HCV34+MFF G3/4"-14 36 75 40 0,526
Є питання?
Зв’яжіться з нами за вказаними контактами!
Напишіть нам — ми завжди на зв'язку!