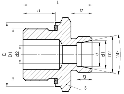
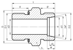
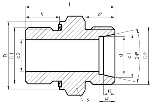
Адаптер тип ED тяжка серія
Завантажити в PDFАдаптер тип ED 24 ﹾ в порт тяжка серія
-
НазваХарактеристики
-
Тип з'єднанняпрямий адаптер або з перехідною різьбою
-
Ущільненняпо конусу 24ﹾ
-
Різьбаметрична або дюймова зовнішня
-
МатеріалСталь
Технічні характеристики
Адаптер типу AGR
| НАЙМЕНУВАННЯ | СЕРІЯ | РОЗМІРИ | Маса | ||||||
| S | D1 | D2 | d | L | l1 | l2 | |||
| мм. | Inch/мм. | мм. | мм. | мм. | мм. | мм. | кг. | ||
| ED G1/8"/M14x1,5 6S | S | 14 | G1/8"-28 | M14x1,5 | 6 | 28 | 8 | 10 | 0,023 |
| ED G1/4"/M14x1,5 6S | S | 19 | G1/4"-19 | M14x1,5 | 6 | 32 | 12 | 10 | 0,041 |
| ED G1/4"/M16x1,5 8S | S | 19 | G1/4"-19 | M16x1,5 | 8 | 34 | 12 | 12 | 0,044 |
| ED G1/4"/M18x1,5 10S | S | 19 | G1/4"-19 | M18x1,5 | 10 | 34 | 12 | 12 | 0,043 |
| ED G1/4"/M20x1,5 12S | S | 22 | G1/4"-19 | M20x1,5 | 12 | 36 | 12 | 12 | 0,061 |
| ED G3/8"/M14x1,5 6S | S | 22 | G3/8"-19 | M14x1,5 | 6 | 35 | 12 | 10 | 0,059 |
| ED G3/8"/M16x1,5 8S | S | 22 | G3/8"-19 | M16x1,5 | 8 | 37 | 12 | 12 | 0,064 |
| ED G3/8"/M18x1,5 10S | S | 22 | G3/8"-19 | M18x1,5 | 10 | 37 | 12 | 12 | 0,066 |
| ED G3/8"/M20x1,5 12S | S | 22 | G3/8"-19 | M20x1,5 | 12 | 37 | 12 | 12 | 0,050 |
| ED G3/8"/M22x1,5 14S | S | 24 | G3/8"-19 | M22x1,5 | 14 | 39 | 12 | 14 | 0,079 |
| ED G3/8"/M24x1,5 16S | S | 27 | G3/8"-19 | M24x1,5 | 16 | 39 | 12 | 14 | 0,091 |
| ED G1/2"/M14x1,5 6S | S | 27 | G1/2"-14 | M14x1,5 | 6 | 37 | 14 | 10 | 0,086 |
| ED G1/2"/M16x1,5 8S | S | 27 | G1/2"-14 | M16x1,5 | 8 | 39 | 14 | 12 | 0,091 |
| ED G1/2"/M18x1,5 10S | S | 27 | G1/2"-14 | M18x1,5 | 10 | 39 | 14 | 12 | 0,092 |
| ED G1/2"/M20x1,5 12S | S | 27 | G1/2"-14 | M20x1,5 | 12 | 39 | 14 | 12 | 0,110 |
| ED G1/2"/M22x1,5 14S | S | 27 | G1/2"-14 | M22x1,5 | 14 | 41 | 14 | 14 | 0,099 |
| ED G1/2"/M24x1,5 16S | S | 27 | G1/2"-14 | M24x1,5 | 16 | 41 | 14 | 14 | 0,100 |
| ED G1/2"/M30x2,0 20S | S | 32 | G1/2"-14 | M30x2,0 | 20 | 45 | 14 | 16 | 0,149 |
| ED G1/2"/M36x2,0 25S | S | 41 | G1/2"-14 | M36x2,0 | 25 | 49 | 14 | 18 | 0,245 |
| ED G3/4"/M20x1,5 12S | S | 32 | G3/4"-14 | M20x1,5 | 12 | 43 | 16 | 12 | 0,150 |
| ED G3/4"/M22x1,5 14S | S | 32 | G3/4"-14 | M22x1,5 | 14 | 45 | 16 | 14 | 0,154 |
| ED G3/4"/M24x1,5 16S | S | 32 | G3/4"-14 | M24x1,5 | 16 | 45 | 16 | 14 | 0,163 |
| ED G3/4"/M30x2,0 20S | S | 32 | G3/4"-14 | M30x2,0 | 20 | 47 | 16 | 16 | 0,164 |
| ED G3/4"/M36x2,0 25S | S | 41 | G3/4"-14 | M36x2,0 | 25 | 51 | 16 | 18 | 0,268 |
| ED G1"/M20x1,5 12S | S | 41 | G1"-11 | M20x1,5 | 12 | 47 | 18 | 12 | 0,253 |
| ED G1"/M30x2,0 20S | S | 41 | G1"-11 | M30x2,0 | 20 | 51 | 18 | 16 | 0,272 |
| ED G1"/M36x2,0 25S | S | 41 | G1"-11 | M36x2,0 | 25 | 53 | 18 | 18 | 0,290 |
| ED G1"/M42x2,0 30S | S | 46 | G1"-11 | M42x2,0 | 30 | 53 | 18 | 20 | 0,358 |
| ED G1.1/4"/M30x2,0 20S | S | 50 | G1.1/4"-11 | M30x2,0 | 20 | 53 | 20 | 16 | 0,411 |
| ED G1.1/4"/M36x2,0 25S | S | 50 | G1.1/4"-11 | M36x2,0 | 25 | 55 | 20 | 18 | 0,431 |
| ED G1.1/4"/M42x2,0 30S | S | 50 | G1.1/4"-11 | M42x2,0 | 30 | 57 | 20 | 20 | 0,451 |
| ED G1.1/4"/M52x2,0 38S | S | 55 | G1.1/4"-11 | M52x2,0 | 38 | 62 | 20 | 22 | 0,607 |
| ED G1.1/2"/M36x2,0 25S | S | 55 | G1.1/2"-11 | M36x2,0 | 25 | 60 | 22 | 18 | 0,553 |
| ED G1.1/2"/M42x2,0 30S | S | 55 | G1.1/2"-11 | M42x2,0 | 30 | 62 | 22 | 20 | 0,571 |
| ED G1.1/2"/M52x2,0 38S | S | 55 | G1.1/2"-11 | M52x2,0 | 38 | 64 | 22 | 22 | 0,608 |
| ED M12x1,5/M14x1,5 6S | S | 17 | M12x1,5 | M14x1,5 | 6 | 32 | 12 | 10 | 0,034 |
| ED M14x1,5/M16x1,5 8S | S | 19 | M14x1,5 | M16x1,5 | 8 | 34 | 12 | 12 | 0,046 |
| ED M14x1,5/M20x1,5 12S | S | 24 | M14x1,5 | M20x1,5 | 12 | 36 | 12 | 12 | 0,065 |
| ED M16x1,5/M18x1,5 10S | S | 22 | M16x1,5 | M18x1,5 | 10 | 35 | 12 | 12 | 0,058 |
| ED M18x1,5/M20x1,5 12S | S | 24 | M18x1,5 | M20x1,5 | 12 | 37 | 12 | 12 | 0,077 |
| ED M18x1,5/M24x1,5 16S | S | 27 | M18x1,5 | M24x1,5 | 16 | 38 | 12 | 14 | 0,093 |
| ED M20x1,5/M20x1,5 12S | S | 27 | M20x1,5 | M20x1,5 | 12 | 37 | 14 | 14 | 0,075 |
| ED M20x1,5/M22x1,5 14S | S | 27 | M20x1,5 | M22x1,5 | 14 | 41 | 14 | 14 | 0,075 |
| ED M22x1,5/M20x1,5 12S | S | 27 | M22x1,5 | M20x1,5 | 12 | 39 | 14 | 12 | 0,099 |
| ED M22x1,5/M24x1,5 16S | S | 27 | M22x1,5 | M24x1,5 | 16 | 41 | 14 | 14 | 0,105 |
| ED M27x2,0/M30x2,0 20S | S | 32 | M27x2,0 | M30x2,0 | 20 | 45 | 16 | 16 | 0,156 |
| ED M33x2,0/M36x2,0 25S | S | 41 | M33x2,0 | M36x2,0 | 25 | 52 | 18 | 18 | 0,277 |
| ED M42x2,0/M42x2,0 30S | S | 50 | M42x2,0 | M42x2,0 | 30 | 57 | 20 | 20 | 0,453 |
| ED M48x2,0/M52x2,0 38S | S | 55 | M48x2,0 | M52x2,0 | 38 | 64 | 22 | 22 | 0,612 |
Ви переглядали
Є питання?
Зв’яжіться з нами за вказаними контактами!