Адаптер ED-AGM
Завантажити в PDFАдаптер тип ED-AGM 60 ﹾ в порт
-
НазваХарактеристики
-
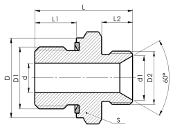
Тип з'єднанняпрямий адаптер або з перехідною різьбою
-
Ущільненняпо конусу 60ﹾ та по торцю через метало-резинове кільце
-
Різьбаметрична або дюймова зовнішня
-
МатеріалСталь
Технічні характеристики
Адаптер типу AGR
| НАЙМЕНУВАННЯ | РОЗМІРИ | Маса | |||||
| S | D1 | D2 | L | L1 | L2 | ||
| мм. | Inch | мм. | мм. | мм. | мм. | кг. | |
| ED G1/4"/AGM M14x1,5 | 19 | G1/4"-19 | M14x1,5 | 32,5 | 12 | 12 | 0,035 |
| ED G1/4"/AGM M16x1,5 | 19 | G1/4"-19 | M16x1,5 | 32,5 | 12 | 12 | 0,040 |
| ED G1/4"/AGM M20x1,5 | 24 | G1/4"-19 | M20x1,5 | 36 | 12 | 12 | 0,046 |
| ED G3/8"/AGM M14x1,5 | 22 | G3/8"-19 | M14x1,5 | 32,5 | 12 | 12 | 0,046 |
| ED G3/8"/AGM M16x1,5 | 22 | G3/8"-19 | M16x1,5 | 32,5 | 12 | 12 | 0,046 |
| ED G3/8"/AGM M18x1,5 | 22 | G3/8"-19 | M18x1,5 | 33 | 12 | 12 | 0,049 |
| ED G3/8"/AGM M20x1,5 | 24 | G3/8"-19 | M20x1,5 | 36 | 12 | 13 | 0,063 |
| ED G3/8"/AGM M22x1,5 | 24 | G3/8"-19 | M22x1,5 | 34 | 12 | 14 | 0,061 |
| ED G1/2"/AGM M18x1,5 | 27 | G1/2"-14 | M18x1,5 | 34 | 14 | 12 | 0,068 |
| ED G1/2"/AGM M20x1,5 | 27 | G1/2"-14 | M20x1,5 | 36,5 | 14 | 14 | 0,072 |
| ED G1/2"/AGM M22x1,5 | 27 | G1/2"-14 | M22x1,5 | 36,5 | 14 | 14 | 0,079 |
| ED G1/2"/AGM M27x1,5 | 27 | G1/2"-14 | M27x1,5 | 37,5 | 14 | 15 | 0,091 |
| ED G3/4"/AGM M20x1,5 | 32 | G3/4"-14 | M20x1,5 | 38 | 16 | 14 | 0,107 |
| ED G3/4"/AGM M22x1,5 | 32 | G3/4"-14 | M22x1,5 | 38 | 16 | 14 | 0,111 |
| ED G3/4"/AGM M27x1,5 | 32 | G3/4"-14 | M27x1,5 | 39 | 16 | 15 | 0,107 |
| ED G3/4"/AGM M27x2,0 | 32 | G3/4"-14 | M27x2,0 | 39 | 16 | 15 | 0,114 |
| ED G3/4"/AGM M42x2,0 | 50 | G3/4"-14 | M42x2,0 | 48,5 | 16 | 20 | 0,280 |
| ED M27x2,0/AGM M33x2,0 | 36 | M27x2,0 | M33x2,0 | 42 | 16 | 18 | 0,143 |
Ви переглядали
Є питання?
Зв’яжіться з нами за вказаними контактами!